嫩萍网 > 杂谈 > 正文

​详解西门子PLC编程接线图,附梯形图程序实例,PLC快速入门

时间:2026-03-20 01:37

来源:嫩萍网

点击:

详解西门子PLC编程接线图,附梯形图程序实例,PLC快速入门

今天给大家分享的是关于PLC编程控制入门常用到的实例。里面包含的知识点是较为齐全的,如:I/O分配表、PLC接线图、梯形图程序等。

一、电动机顺序启动、顺序停止控制(I/O分配表、PLC接线图、梯形图程序)

二、电动机的顺序启动、同时停止(I/O分配表、PLC接线图、梯形图程序)

三、电动机的顺序启动、逆序停止(I/O分配表、PLC接线图、梯形图程序)

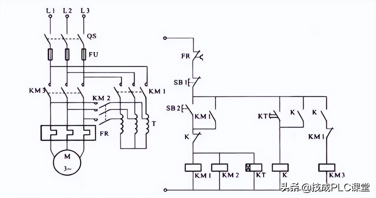
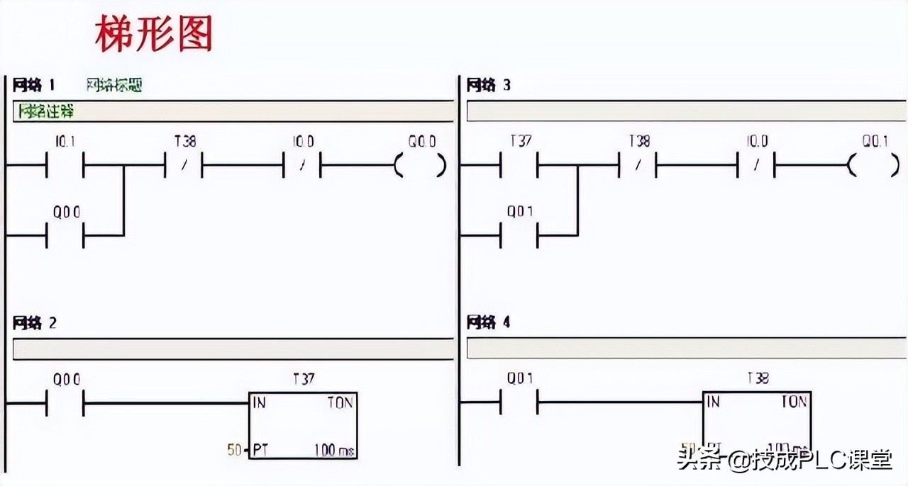
四、电动机延时启动、停止控制(I/O分配表、PLC接线图、梯形图程序)

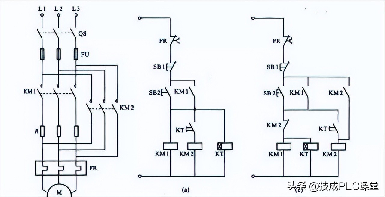
五、笼型感应电动机定子绕组从串电阻降压启动控制系统(I/O分配表、PLC接线图、梯形图程序)

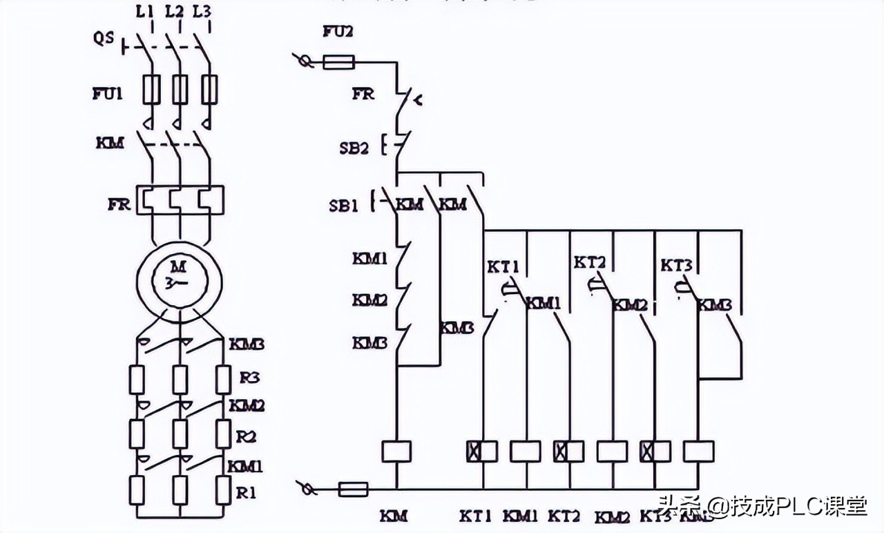
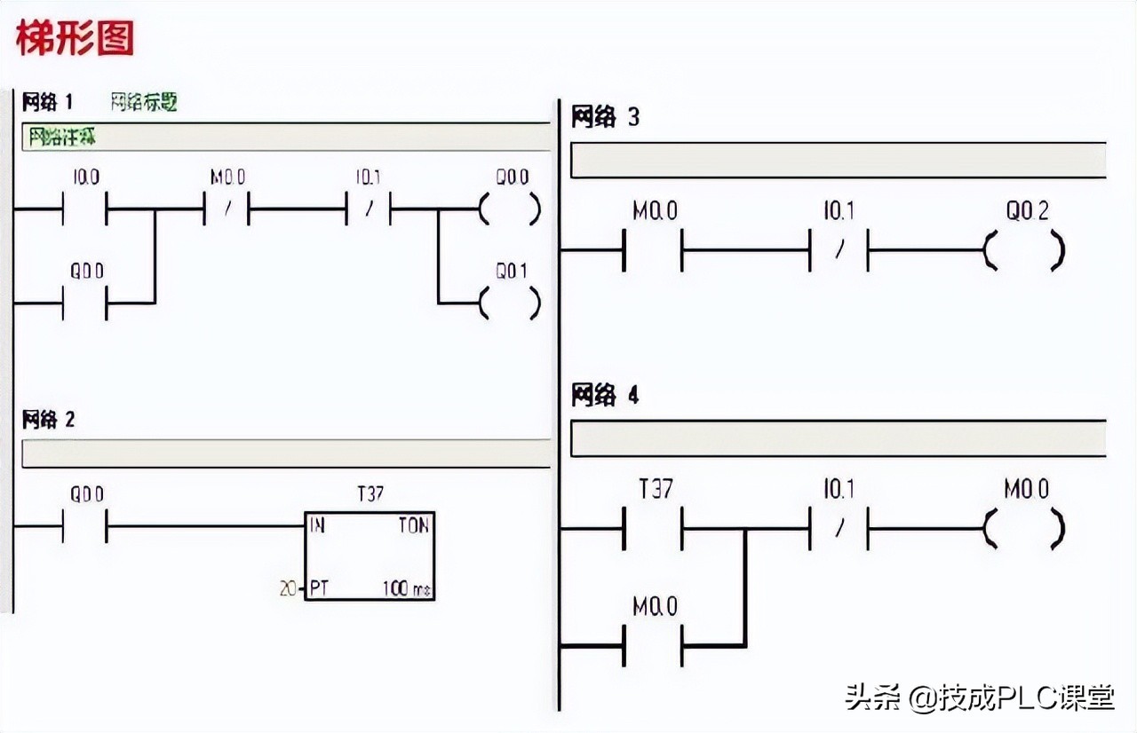
六、三相绕线感应电动机转子绕组串电阻降压启动控制系统(I/O分配表、PLC接线图、梯形图程序)

七、Y-△降压启动控制系统(I/O分配表、PLC接线图、梯形图程序)

Y-△降压启动控制(1)

Y-△降压启动控制(2)

八、自耦变压器降压启动控制系统(I/O分配表、PLC接线图、梯形图程序)

来源:网络,侵删~

转发是最大的鼓励!谢谢您的支持!

小贴士

PLC专属资料:含有从入门到高级所有PLC学习资料(三菱/西门子/欧姆龙),电气经典18本大全书,历年电气考试真题、电气必备实训仿真软件、电气自动化行业各类型技术手册!

相关阅读
​太原地铁3号线和6号线,应该先开通哪个?网友吵翻了!

​太原地铁3号线和6号线,应该先开通哪个?网友吵翻了!

太原地铁3号线和6号线,应该先开通哪个?网友吵翻了! 随着太原地铁1号线2月22日即将通车,太原轨道1号、2号线将形成“力”字状,届时...

2026-03-20 01:35:32

​轻松连接打印机到电脑的详细指南与常见问题解决方案

​轻松连接打印机到电脑的详细指南与常见问题解决方案

轻松连接打印机到电脑的详细指南与常见问题解决方案 在现代生活中,打印机是我们工作和学习中不可或缺的工具。无论是打印文档、照片...

2026-03-20 01:33:18

​地方特色小吃肉夹馍,教你在家做,饼香肉烂,饱腹抗饿又好吃

​地方特色小吃肉夹馍,教你在家做,饼香肉烂,饱腹抗饿又好吃

地方特色小吃肉夹馍,教你在家做,饼香肉烂,饱腹抗饿又好吃 大家好,我是厨易,分享一学就会的厨房美食,欢迎交流,互相增进。 肉夹...

2026-03-20 01:31:03

​今年征兵工作开启,初中毕业生也能报名参军入伍!

​今年征兵工作开启,初中毕业生也能报名参军入伍!

今年征兵工作开启,初中毕业生也能报名参军入伍! 好消息!今年的征兵工作开始啦!初中毕业生也可以报名入伍了。当兵并不只是高学历...

2026-03-19 08:21:15

​立冬时节来临,全国迎来降温!看看农谚咋说

​立冬时节来临,全国迎来降温!看看农谚咋说

立冬时节来临,全国迎来降温!看看农谚咋说 今天是2023年11月8日,立冬。 立冬,是中国二十四节气中的第19个节气,通常出现在公历的11月...

2026-03-19 08:19:01

​名校巡礼 | 安阳市第二中学:全面提高教学质量 高考成绩屡创辉煌

​名校巡礼 | 安阳市第二中学:全面提高教学质量 高考成绩屡创辉煌

名校巡礼 | 安阳市第二中学:全面提高教学质量 高考成绩屡创辉煌 高考成绩屡创辉煌 一本上线连年攀升 安阳市第二中学 是一所有着80多年...

2026-03-19 08:16:47

​重磅!2024年深圳公办小学排名出炉

​重磅!2024年深圳公办小学排名出炉

重磅!2024年深圳公办小学排名出炉 我先把我的排名依据讲出: 第一条是一定规模下的优质生源比例。 第二条是学校的圈子非常重要。 第三...

2026-03-19 08:14:32

​带着大家走进越南:越南GDP,低收入高消费

​带着大家走进越南:越南GDP,低收入高消费

带着大家走进越南:越南GDP,低收入高消费 来越南不短时间了,既然来了,就应该多了解一下越南,然后想办法把了解的信息用于企业经营...

2026-03-19 08:12:18

​吉林好人钟晓:说真话讲真情 热心公益

吉林好人钟晓:说真话讲真情 热心公益 钟晓 “收音机前亲爱的听众朋友们晚上好!欢迎收听今天的晓声长谈节目。钟晓愿意做一个直言不...

2026-03-19 08:10:03

​科技引领未来!西安自主研发无人驾驶电机车首发亮相

​科技引领未来!西安自主研发无人驾驶电机车首发亮相

科技引领未来!西安自主研发无人驾驶电机车首发亮相 在科技飞速发展的今天,无人驾驶技术越来越成为人们关注的热点。而就在最近,西...

2026-03-19 08:07:49

​先睹为快!潍坊坊子泰华城即将开业

​先睹为快!潍坊坊子泰华城即将开业

先睹为快!潍坊坊子泰华城即将开业 坊子泰华城将在9月17日盛大开业 这座潍坊市民心心念念的城南地标 也将首次摘下神秘面纱 万众瞩目、...

2026-03-19 08:05:35

​窦靖童回应出柜传闻 与女子亲密照流出关系暧昧 扒窦靖童出柜铁证

​窦靖童回应出柜传闻 与女子亲密照流出关系暧昧 扒窦靖童出柜铁证

窦靖童回应出柜传闻 与女子亲密照流出关系暧昧 扒窦靖童出柜铁证 中国网•中部纵览2016-04-05 13:38:42 窦靖童回应出柜传闻 与女子亲密照流...

2026-03-19 08:03:20

​骇人听闻!失踪18年男子惊现黑砖窑,揭露31名贵州青年被困真相

​骇人听闻!失踪18年男子惊现黑砖窑,揭露31名贵州青年被困真相

骇人听闻!失踪18年男子惊现黑砖窑,揭露31名贵州青年被困真相 在21世纪的今天,当大多数人享受着社会主义法治社会的阳光与温暖时,却...

2026-03-19 08:01:06

​老村长酒以业绩告诉你“别拿村长不当干部”

​老村长酒以业绩告诉你“别拿村长不当干部”

老村长酒以业绩告诉你“别拿村长不当干部” 提到东北那疙瘩的酒,自然不得不提到产自黑龙江的老村长酒。成立于2001年的哈尔滨双城市老...

2026-03-19 07:58:52

​青春动画《烟花》上映 岩井俊二深度解读影片

​青春动画《烟花》上映 岩井俊二深度解读影片

青春动画《烟花》上映 岩井俊二深度解读影片 半岛全媒体记者 黄靖斐 改编自日本著名导演岩井俊二作品的青春动画电影《烟花》12月1日上...

2026-03-19 07:56:37

​也门战火:伊朗的地区影响力将如何演变?

​也门战火:伊朗的地区影响力将如何演变?

也门战火:伊朗的地区影响力将如何演变? 惊天动地!美军对也门萨那市发动猛烈空袭,伊朗战略布局面临崩溃!这背后隐藏着怎样的惊天...

2026-03-19 07:54:23

​总建面超36万平方米 重庆江北国际机场T3B航站楼正式投用

​总建面超36万平方米 重庆江北国际机场T3B航站楼正式投用

总建面超36万平方米 重庆江北国际机场T3B航站楼正式投用 4月9日上午10点49分,乘坐海航HU7263航班重庆至福州、国航CA1450航班重庆至北京的旅...

2026-03-19 07:52:09

​甘南自驾游,最经典的4条线路,成都到兰州最佳线路规划

​甘南自驾游,最经典的4条线路,成都到兰州最佳线路规划

甘南自驾游,最经典的4条线路,成都到兰州最佳线路规划 一、甘南地图·总览 甘南,即甘肃省 甘南藏族自治州 ,是中国八大藏族自治州之...

2026-03-19 07:49:54

​惠子掉河里,泰勒斯掉坑里,中西哲学家怎么回击哲学无用论

惠子掉河里,泰勒斯掉坑里,中西哲学家怎么回击哲学无用论 关于哲学,我们经常会听到这样的质疑:“哲学有什么用?又不能当饭吃?”...

2026-03-19 07:47:40

​老明信片中的“大连北海公园”,一个你想象中不一样的公园

​老明信片中的“大连北海公园”,一个你想象中不一样的公园

老明信片中的“大连北海公园”,一个你想象中不一样的公园 北海公园位于大连市西岗区胜利桥北部,始建于1898年(《旅大租地条约》签订...

2026-03-19 07:45:26

热门阅读
​日本儿子猜母亲,父亲猜女儿是什么节目

​日本儿子猜母亲,父亲猜女儿是什么节目

2025-07-20 00:16:46

​人财两空!张家界新娘事件大结局,男主发文:希望回归正常生活

​人财两空!张家界新娘事件大结局,男主发文:希望回归正常生活

2025-06-29 22:36:43

​江苏省区划调整:句容、仪征划入南京,无锡、常州合并,徐州直辖

​江苏省区划调整:句容、仪征划入南京,无锡、常州合并,徐州直辖

2024-09-07 03:33:42

​云南省电视台女主持人杨珊(云南省电视台女主持人杨珊简历)

​云南省电视台女主持人杨珊(云南省电视台女主持人杨珊简历)

2024-08-10 15:33:02

​三本女主重生不爱男主,远离男主的虐男文

​三本女主重生不爱男主,远离男主的虐男文

2025-07-24 13:26:21

​推5本不清水的文,重生之香途等文

​推5本不清水的文,重生之香途等文

2025-12-28 13:55:48

​53岁王馨平素颜曝光,一代玉女歌手还是敌不过岁月蹉跎

​53岁王馨平素颜曝光,一代玉女歌手还是敌不过岁月蹉跎

2024-09-06 23:34:33

​别误传了,青岛母子3人坠楼原因未公布,实际情况远比想象的复杂

​别误传了,青岛母子3人坠楼原因未公布,实际情况远比想象的复杂

2024-12-12 02:39:06

​大字加一笔有哪些字20个怎么读 大字加一笔是什么字10个

​大字加一笔有哪些字20个怎么读 大字加一笔是什么字10个

2024-01-05 02:57:13

​全国政协编制级别有多高?24名副国级,300名正副省部级

​全国政协编制级别有多高?24名副国级,300名正副省部级

2025-07-27 03:39:07

​业界双馨美女,Dani Daniels、Abella Danger、Maria Ozawa简介照片

​业界双馨美女,Dani Daniels、Abella Danger、Maria Ozawa简介照片

2024-09-07 00:58:43

​郑州轨道交通8号线、12号线一期最新进展及二期规划走向

​郑州轨道交通8号线、12号线一期最新进展及二期规划走向

2024-09-05 00:08:35

​山东省16个地级市的最新面积、户籍人口、常住人口和GDP数据

​山东省16个地级市的最新面积、户籍人口、常住人口和GDP数据

2025-07-30 05:25:32

​江苏ktv女孩遭轮番凌辱!扒衣羞辱,啤酒浇身,现场视频画面曝光!

​江苏ktv女孩遭轮番凌辱!扒衣羞辱,啤酒浇身,现场视频画面曝光!

2025-08-07 10:05:07

​铜排的载流量计算!分享三个计算公式,以及过电流查询表;

​铜排的载流量计算!分享三个计算公式,以及过电流查询表;

2025-06-24 00:40:46

​高田理惠:日本最美演员,众人眼中的迷人大姐姐,谁能抗拒?

​高田理惠:日本最美演员,众人眼中的迷人大姐姐,谁能抗拒?

2025-07-31 22:39:18

​一位白领女囚的自述(之十二):戴脚镣的日子里

​一位白领女囚的自述(之十二):戴脚镣的日子里

2025-06-21 20:04:48

​甘肃女贪官吴丽华,堪称贪官界的“武则天”,58岁落马罪有应得

​甘肃女贪官吴丽华,堪称贪官界的“武则天”,58岁落马罪有应得

2025-07-26 11:48:20

​女老师和男学生“不雅视频”爆出!网友:老师太美了!

​女老师和男学生“不雅视频”爆出!网友:老师太美了!

2024-09-06 21:01:44

​纤细的爱与纤夫的爱:探究两种不同的爱情形态

​纤细的爱与纤夫的爱:探究两种不同的爱情形态

2025-11-04 23:24:41

​台湾历届领导人简介

​台湾历届领导人简介

2025-11-24 14:41:59

​投资75亿,全长15公里的重庆大竹林大桥项目,为何至今没有动工?

​投资75亿,全长15公里的重庆大竹林大桥项目,为何至今没有动工?

2025-07-06 12:21:26